Solución de clase II
Entrada en el blog
Restauración


Reducir la probabilidad de sensibilidad posoperatoria en restauraciones de composite

Es usual que el odontólogo, en un día con agenda completa, reciba la llamada de un paciente quejándose de sensibilidad posoperatoria luego de su reciente procedimiento con composite de clase II.  Después de agregar al paciente a su agenda, diagnosticar qué causó inicialmente la sensibilidad puede ser estresante y desafiante por lo delicados de estos procedimientos. 

Comprender la técnica correcta para colocar restauraciones de composite de clase II puede aliviar algunas de estas llamadas telefónicas inesperadas del paciente y mantener la clínica funcionando de manera eficiente. 

A continuación, describiremos las causas comunes de la sensibilidad posoperatoria en restauraciones de composite.  Exploraremos cómo minimizar la probabilidad de que ocurra, lo que le permitirá concentrarse en sus pacientes y en la clínica. 

Causas comunes de sensibilidad posoperatoria después de una restauración de composite

¿Qué causa la sensibilidad posoperatoria después de los rellenos de composite? Muy pocas cosas, en realidad; la colocación de resinas de composite es un procedimiento complejo teniendo en cuenta que la naturaleza de la dentina está cerca de la pulpa, y algunos estudios han estimado que la sensibilidad ocurre después de 10 % a 15 % de las restauraciones de composite posteriores.1

Las causas más comunes de sensibilidad posoperatoria pueden resumirse en:

  • Cobertura inadecuada del adhesivo o penetración inadecuada del adhesivo en los túbulos dentinarios
  • Colocación de la restauración con una técnica incorrecta
  • Fotocurado inadecuado
  • Uso de materiales de alta tensión

Si bien no puede cambiar el alcance de una lesión cariosa mientras trata a su paciente, puede elegir materiales y productos que hayan demostrado reducir la sensibilidad posoperatoria y luego perfeccionar su técnica asociada con esos productos.

Debe familiarizarse completamente con los productos que utiliza y su técnica correcta; incluso el error más mínimo puede resultar en un procedimiento fallido y provocar sensibilidad posoperatoria.

Sensibilidad posoperatoria después de la restauración de composite

La sensibilidad posoperatoria después de una restauración de composite es una preocupación común en los procedimientos dentales. Este fenómeno ocurre cuando los pacientes experimentan molestias temporales o sensibilidad elevada en el diente tratado después de la colocación de rellenos de composite. Factores como la profundidad de la restauración, la proximidad del diente al nervio y los niveles de sensibilidad del paciente en particular pueden influir en el alcance y la duración de la sensibilidad posoperatoria. Aunque una breve molestia a menudo puede manejarse con el cuidado adecuado, es importante profundizar en las causas de la sensibilidad posoperatoria después de una restauración de composite para reducir la probabilidad y la gravedad de una mejor manera.

7 desafíos y consejos para reducir la probabilidad de sensibilidad posoperatoria

Las siguientes experiencias son desafíos que los profesionales informan que pueden conducir a la sensibilidad posoperatoria en restauraciones de composite, así como consejos para la prevención en su próximo procedimiento. 

Sensibilidad causada por aislamiento de dientes inadecuado

 

El aislamiento de dientes adecuado es clave en cualquier fase de la restauración de clase II, ya que evita que la saliva y la sangre contaminen el campo restaurador. Si el campo restaurador se contamina, las propiedades físicas y el éxito final de la restauración pueden verse comprometidos y provocar sensibilidad posoperatoria y molestia en el paciente.

 

Cómo evitar la sensibilidad causada por el aislamiento de dientes inadecuado

 

Si tiene problemas con el aislamiento, no está solo: el 97 % de los médicos dice que lograr el aislamiento adecuado de una cavidad de clase II es difícil en al menos 1 de cada 10 casos.2 Además de las medidas comunes de aislamiento, considere la importancia de una matriz bien adaptada. El uso de sistemas de matriz desarrollados específicamente para colocar materiales de composite, como nuestro sistema de matriz seccional Palodent® V3 , ayuda a lograr un sellado hermético en el margen gingival.

 

Sensibilidad causada por el uso de un material de composite de alta tensión 

 

El uso de un material de alta tensión puede hacer que el material se despegue del adhesivo, dejando áreas de la dentina no selladas en contacto directo con la pulpa, lo que provoca un dolor típico al morder.2

 

Cómo evitar la sensibilidad causada por el uso de un material de composite de alta tensión 

 

Para reducir el riesgo de sensibilidad causado por el material, debe usar un material de baja tensión que minimice las tensiones que se ejercen sobre el diente, como SDR® flow+. Es el primer Bulk Fill en masa que se autonivela, proporciona una excelente adaptación de la cavidad y reduce significativamente la tensión de contracción.3

 

Sensibilidad causada por el grabado excesivo de la dentina

 

Si bien la adhesión más fuerte que puede crear en una restauración es el esmalte grabado, se debe tener cuidado de no grabar demasiado la dentina, ya que esta es una de las principales causas de sensibilidad posoperatoria. El grabado durante demasiado tiempo puede dar lugar a un nivel más profundo de desmineralización de la dentina, lo que dificulta la adquisición de una capa híbrida intacta a través de la filtración de resina adhesiva.

 

Cómo evitar la sensibilidad causada por el grabado excesivo de la dentina

 

Para minimizar el riesgo de grabado excesivo de la dentina, recomendamos limitar la exposición de la dentina al grabador a menos de 15 segundos y usar un agente de adhesión que le brinde la flexibilidad de usar la técnica de grabado más adecuada para la situación que puede usarse en todas las técnicas de grabado, incluido el grabado selectivo del esmalte.

 

Sensibilidad causada por el secado excesivo de la dentina

 

Otra causa de sensibilidad después de las restauraciones de composite es la desecación (sequedad excesiva) de la dentina. La desecación de la dentina elimina la humedad que necesita para suspender correctamente las delicadas fibras de colágeno para que el adhesivo pueda filtrarlas e hibridarlas. Si la dentina grabada se deseca (secado en exceso) al secarse al aire demasiado tiempo o demasiado fuerte, las fibras de colágeno expuestas pueden colapsar. El resultado es una capa de colágeno que es casi imposible de filtrar. Las consecuencias probables son una disminución significativa en la fuerza de adhesión y sensibilidad posoperatoria.

 

Cómo evitar la sensibilidad causada por el secado excesivo de la dentina

 

Para evitar la desecación, la superficie de la dentina debe mantenerse ligeramente húmeda pero no mojada después del enjuague. Los resultados son una capa de colágeno que es casi imposible de filtrar, lo que puede causar una disminución en la fuerza de adhesión y la sensibilidad posoperatoria.

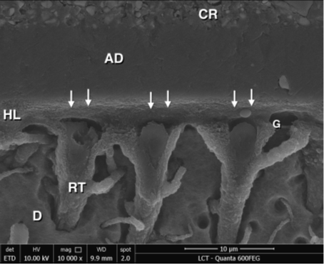
  • RC: resina de composite
  • AD: adhesivo
  • CH: capa híbrida
  • ER: etiqueta de resina
  • D: dentina

Fuente: “Seminario sobre dentina seca” Prof. Andre F. Reis, DDS, MS, PhD, Río de Janeiro, Brasil

Sensibilidad causada por no eliminar solventes durante el paso de secado

 

Por lo general, puede comprender la teoría de cómo funcionan los solventes en función de la evaporación de mesa (por ejemplo, a base de acetona frente a alcohol), pero debe reconocer que cada solvente requiere una cantidad diferente de dilución de aire para volatilizarse completamente una vez establecido. Este es un paso crítico si desea asegurarse de que el material se desempeñe al máximo potencial y no cause sensibilidad dental después de la restauración.

 

Cómo evitar la sensibilidad causada por no eliminar solventes durante el paso de secado

 

Familiarícese con las instrucciones del adhesivo utilizado  para determinar el final del paso de evaporación en lugar de simplemente detenerse después de unos segundos de soplado de aire.

 

Sensibilidad causada por la cobertura incompleta del material adhesivo

 

Los estudios4 han demostrado que la reducción de la polimerización de la resina es una de las principales causas de sensibilidad posoperatoria, pero ese no es el único escenario en el que la cobertura incompleta del material puede conducir a la sensibilidad posoperatoria.

 

Cómo evitar la sensibilidad causada por la cobertura incompleta del material adhesivo

 

Es importante cubrir la superficie interna de manera completa y uniforme con un adhesivo. Sabrá que ha hecho esto correctamente si la superficie luce brillante en lugar de mate.

 

Sensibilidad causada por el curado inadecuado de materiales de restauración 

 

En un procedimiento de clase II, el adhesivo suele estar a 8 mm o más de la punta de la lámpara de fotocurado. Para garantizar un curado adecuado del adhesivo y del composite en la parte inferior de la caja proximal (la interfaz más vulnerable de una clase II), elija una lámpara que funcione bien a distancias relevantes del punto de vista clínico.

Además, debe asegurarse de seguir la técnica de curado correcta para garantizar un curado adecuado en la parte inferior de la caja proximal. Esto incluye colocar la punta del LED de forma perpendicular, lo más cerca posible de la restauración. El uso de una protección ocular adecuada también es importante para poder monitorear la colocación correcta de la lámpara.

Evite la sensibilidad dental con la ayuda de Dentsply Sirona

El éxito de la práctica clínica depende de la felicidad y la comodidad de sus pacientes, así como de su eficiencia con los procedimientos. Si desea evitar la sensibilidad posoperatoria después de las restauraciones de composite, asegúrese de usar materiales desarrollados e investigados de forma exhaustiva y usarlos correctamente. No todos los materiales y productos de restauración se construyen de la misma manera, y aquí es cuando nos hacemos presente. El portafolio de Dentsply Sirona sobre productos restauradores de clase II le permite a los clínicos ofrecer mejores procedimientos y mayor comodidad a sus pacientes, y les proporciona herramientas y capacitación para implementar soluciones y proporcionar una mejor práctica en todo momento. Para comenzar, póngase en contacto con nosotros ahora.


Artículos relacionados

1. Usman et al. Sensitivity in composite restorations, Pakistan Oral & Dental Journal Vol 34, No. 3 (septiembre de 2014); Berkowitz et al. Postoperative Hypersensitivity in Class I Resin-based Composite Restorations, Compend Contin Educ Dent. 2009; 30(6): 356-363; Haller, Die Postoperative Hypersensibilitat, zm99, Nr.6a, 13.03.2009 S. 44-51; Briso et al, Clinical Assessment of Postoperative Sensitivity in Posterior Composite Restorations, Operative Dentistry, 2007, 32-5, 421-426

2. Nedeljkovic I, Teughels W, De MunckJ, Van Meerbeek B, Van Landuyt KL. Is secondary caries with composites a material-based problem? Dent Mater. Noviembre de 2015; 31(11):e247-77. doi: 10.1016Zj.dental.2015.09.001. Epub 26 de septiembre de 2015.

3. Datos internos en archivo. Para obtener más información, comuníquese con Consumables-Data-Requests@dentsplysirona.com

4. https://biocoreopen.org/ijdoh/lmmediate-Post-operative-Sensitivity-after-Composite-Resin-Restoration-A-Review-of-Treatment-Protocol.php