Class II Solution
Blog Beitrag
Restaurationen


Verringerung der Wahrscheinlichkeit von postoperativer Empfindlichkeit nach Kompositfüllungen

Es kommt durchaus vor, dass ein Zahnarzt voll durchgetaktet ist und sich ein ungeplanter Anruf durch einen Patienten ergibt, der über postoperative Überempfindlichkeiten nach einer kürzlich durchgeführten Klasse-II-Restauration klagt.  Während der Behandlung kann es herausfordernd sein, eine Diagnose der Ursache der Überempfindlichkeiten zu stellen, da diese Verfahren sehr techniksensibel sind. 

Das Wissen um die richtige Technik bei Klasse-II-Restaurationen kann einige dieser ungeplanten Anrufe verhindern und damit den Praxisbetrieb effizient halten. 

Im Folgenden sehen wir uns die häufigsten Ursachen für postoperative Überempfindlichkeiten nach Kompositrestaurationen an.  Wir zeigen Ihnen, wie Sie die Wahrscheinlichkeit minimieren können, damit Sie sich voll auf Ihre Patienten und Ihre Praxis konzentrieren können. 

Häufige Ursachen für postoperative Empfindlichkeit nach Kompositfüllung

Was verursacht postoperative Überempfindlichkeiten bei Kompositfüllungen? Im Grunde kann es mehrere Ursachen geben. Die Applikation von Komposit ist ein herausforderndes Verfahren, da die Kavität oft nahe der Pulpa liegt. Laut einiger Studien tritt nach 10 bis 15 Prozent der Kompositrestaurationen im Seitenzahnbereich eine Überempfindlichkeit auf.1

Dies sind die häufigsten Ursachen für postoperative Überempfindlichkeiten:

  • Unzureichende Benetzung durch das Adhäsiv oder unzureichende Eindringtiefe des Adhäsivs in die Dentintubuli
  • Einsetzen der Restauration mit inkorrekter Technik
  • Unzureichende Polymerisation
  • Verwendung von Kompositen mit hohen Stresswerten

Während der Behandlung Ihres Patienten können Sie zwar die Größe der kariösen Läsion nicht verändern, aber Sie können restaurative Materialien auswählen, die nachweislich die postoperative Sensitivität verringern, und Ihre Anwendungstechnik für diese Produkte perfektionieren.

Sie sollten sich mit den verwendeten Produkten und der entsprechenden Anwendungstechnik genauestens vertraut machen. Schließlich kann schon der kleinste Fehler zu einem misslungenen Eingriff und postoperativer Sensitivität führen.

Postoperative Empfindlichkeit nach Kompositfüllung

Die postoperative Empfindlichkeit nach Kompositfüllungen ist bei zahnärztlichen Behandlungen ein häufiges Problem. Dieses Phänomen tritt auf, wenn Patienten nach dem Einsetzen einer Kompositfüllung vorübergehende Beschwerden oder erhöhte Empfindlichkeit im Bereich des behandelten Zahns verspüren. Faktoren wie die Tiefe der Restauration, die Nähe zum Zahnnerv und der individuelle Empfindlichkeitsgrad des Patienten können das Ausmaß und die Dauer der postoperativen Empfindlichkeit beeinflussen. Obwohl eine kurze Empfindlichkeit oft mit der richtigen Pflege bewältigt werden kann, ist es wichtig, sich mit den Ursachen der postoperativen Empfindlichkeit nach einer Kompositfüllung zu befassen, um die Wahrscheinlichkeit des Auftretens und den Schweregrad der Empfindlichkeit zu verringern.

7 Herausforderungen sowie Tipps zur Verringerung der Wahrscheinlichkeit einer postoperativen Überempfindlichkeit

Nachfolgend finden Sie Berichte von Zahnärzten über Probleme, die zu postoperativer Überempfindlichkeit nach Kompositrestaurationen führen können, sowie Tipps zur Vermeidung bei Ihrem nächsten Eingriff. 

Überempfindlichkeit aufgrund von unzureichender Zahnisolation

 

Eine ordnungsgemäße Zahnisolation ist in jeder Phase einer Klasse-II-Restauration von entscheidender Bedeutung, denn dadurch wird Kontamination durch Speichel und Blut vermieden. Wenn der Restaurationsbereich kontaminiert ist, können die physikalischen Eigenschaften und somit auch der klinische Erfolg der Restauration beeinträchtigt werden, was sich bspw. durch postoperative Überempfindlichkeiten beim Patienten äußert.

 

Wie sich die Empfindlichkeit aufgrund von unzureichender Isolation vermeiden lässt

 

Probleme bei der Isolation sind keine Seltenheit. 97 Prozent der Behandler geben an, dass es in mindestens 1 von 10 Fällen schwierig ist, eine Klasse II Kavität adäquat zu isolieren.2 Neben den üblichen Maßnahmen zur Isolation sollten Sie auch die Bedeutung einer gut passenden Matrize berücksichtigen. Die Verwendung von speziell für die Platzierung von Kompositmaterialien entwickelten Matrizensystemen wie unser Palodent® V3-Teilmatrizensystem hilft dabei, eine dichte gingivale Versiegelung zu erzielen.

 

Empfindlichkeit durch die Verwendung von Kompositen mit hohen Stresswerten

 

Die Verwendung eines Komposits mit hohen Stresswerten kann dazu führen, dass sich das Komposit vom Haftverbund löst und somit unversiegelte Bereiche im Dentinbereich zurückbleiben, die direkt mit der Zahnpulpa in Kontakt kommen können, was zu Aufbissschmerzen führt.2

 

Wie sich Empfindlichkeit aufgrund der Verwendung eines Komposits mit hohen Stresswerten vermeiden lässt

 

Um das Risiko einer materialbedingten Empfindlichkeit zu verringern, sollten Sie ein Material mit niedrigem Stresswert verwenden, das die Belastung für den Zahn minimiert, beispielsweise SDR® flow+. Dies ist das erste fließfähige Bulk-Fill Komposit mit Selbstnivellierung, hervorragender Kavitäten–Adaptation und das den Schrumpfungsstress deutlich reduziert.3

 

Überempfindlichkeiten aufgrund von Dentinüberätzung.

 

Obwohl ein geätzter Zahnschmelz bei Restaurationen den stärksten Haftverbund ermöglicht, muss darauf geachtet werden, dass das Dentin nicht überätzt wird, da dies eine der Hauptursachen für postoperative Überempfindlichkeiten ist. Ein Überätzen kann zu einer stärkeren Demineralisierung des Dentins führen. Dadurch wird es schwieriger, eine intakte Hybridschicht durch aktive Durchdringung des Adhäsivs zu erhalten.

 

Wie sich Empfindlichkeit aufgrund von Dentinüberätzung vermeiden lässt

 

Um das Risiko einer Überätzung des Dentins zu minimieren, empfehlen wir, die Einwirkung des Ätzmittels auf das Dentin auf weniger als 15 Sekunden zu begrenzen und einen Haftvermittler zu verwenden, der es ermöglicht, die für die jeweilige Situation am besten geeignete Ätztechnik anzuwenden, wie etwa Prime&Bond active® Universaladhäsiv, das für alle Ätztechniken, einschließlich der selektiven Ätzung von Schmelz, verwendet werden kann.

 

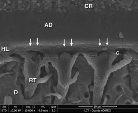
Überempfindlichkeiten aufgrund von Übertrocknung des Dentins

 

Eine weitere Ursache für Überempfindlichkeiten nach Kompositrestaurationen ist das Austrocknen bzw. Übertrocknen des Dentins. Beim Übertrocknen des Dentins wird die Feuchtigkeit entzogen, die notwendig ist, um die empfindlichen Kollagenfasern zu stabilisieren, damit das Adhäsiv in sie eindringen und eine Hybridschicht kann. Wenn das geätzte Dentin durch zu langes oder zu starkes Lufttrocknen übertrocknet wird, können die freiliegenden Kollagenfasern kollabieren. Das Ergebnis ist dann eine Kollagenschicht, die kaum noch vom Adhäsiv durchdrungen werden kann. Folge kann eine deutliche Verringerung der Haftkraft sowie postoperative Überempfindlichkeit sein.

Um eine derartige Übertrocknung zu vermeiden, sollte die Dentinoberfläche nach dem Abspülen leicht feucht, aber nicht nass sein. 

  • K: Komposit
  • AD: Adhäsiv
  • HS: Hybridschicht
  • RT: Resin-Tag
  • D: Dentin

Quelle: „SEM on over dried dentin“ Prof. Andre F. Reis, DDS, MS, PhD, Rio de Janeiro, Brasilien

Überempfindlichkeit aufgrund von mangelhafter Entfernung des Lösungsmittels während des Trocken-Vorgangs

 

Auch wenn Ihnen die Problematik der Lösemittelverdunstung vor der Anwendung (z. B. bei Adhäsiven auf Acetonbasis im Vergleich zu Alkohol) vertraut ist - es ist wichtig zu wissen, dass jedes Lösungsmittel auch ein unterschiedliches Maß an Luft benötigt, um sich nach der Applikation des Adhäsiv vollständig zu verflüchtigen. Dies ist ein entscheidender Schritt, wenn Sie sicherstellen wollen, dass das Material sein volles Potenzial entfaltet und nach der Restauration keine Überempfindlichkeit verursacht.

 

Wie sich Empfindlichkeit aufgrund von mangelhafter Entfernung der Lösungsmittel während des Trocknungsvorgangs vermeiden lässt

 

Machen Sie sich mit den Gebrauchsanweisungen des verwendeten Adhäsivs vertraut, um sicher zu wissen, wann das Lösungsmittel verdunstet ist und nicht einfach nach wenigen Sekunden mit dem Verblasen des Adhäsivs aufzuhören.

 

Empfindlichkeit aufgrund nicht ausreichender Adhäsivbenetzung

 

Studien4 haben gezeigt, dass die Polymerisationsschrumpfung des Komposits eine der Hauptursachen für postoperative Überempfindlichkeit ist. Dies ist jedoch nicht das einzige Szenario, in dem eine unvollständige Materialabdeckung zu postoperativer Überempfindlichkeit führen kann.

 

Wie sich Empfindlichkeit aufgrund nicht ausreichender Adhäsivbenetzung vermeiden lässt

 

Es ist wichtig, die Kavitätenoberfläche vollständig und gleichmäßig mit einem Adhäsiv zu benetzen. Wenn die Oberfläche nicht matt, sondern seidig glänzend ist, wurde alles richtig gemacht.

 

Empfindlichkeit durch unzureichender Polymerisation von restaurativen Materialien

 

Bei Klasse II Kavitäten ist das Adhäsiv oft 8 mm oder mehr vom Lichtausgang der Polymerisationslampe entfernt. Um eine einwandfreie Polymerisation des Adhäsivs und des Komposits am Boden des approximalen Kastens (der empfindlichsten Stelle bei einer Klasse II) zu gewährleisten, wählen Sie eine Polymerisationslampe, die auch bei klinisch relevanten Entfernungen eine gute Leistung erbringt.

Darüber hinaus ist darauf zu achten, dass die richtige Polymersationstechnik angewendet wird, um eine vollständige Aushärtung am Boden der proximalen Kastens zu gewährleisten. Dazu gehört, dass Sie das Lichtaustrittsfenster senkrecht und so nah wie möglich an der Restauration platzieren. Die Verwendung eines geeigneten Augenschutzes ist ebenfalls wichtig, um die korrekte Positionierung des Lichtleiters kontrollieren zu können.

Wie sich Empfindlichkeit durch unzureichende Polymerisation von restaurativen Materialien vermeiden lässt

 

Wir empfehlen die Verwendung einer Polymerisationslampe wie SmartLite® Pro von Dentsply Sirona. SmartLite Pro bietet hervorragende Leistung3 über Distanz und Tiefe und erzeugt nur wenig Wärme. Dadurch wird eine Erhöhung der Pulpatemperatur vermieden, die ebenfalls zu Empfindlichkeit führen kann. Das flache LED-Lichtaustrittsfenster ermöglicht die Positionierung auch über tiefen Bereichen der Kavität, so dass der Lichtstrahl gerade nach unten und nicht in einen seitlichen Winkel zeigt. Dadurch wird Schattenbildung vermieden. Das aktive Lichtaustrittsfenster mit einem Durchmesser von 10 mm sorgt für verlässliche Aushärtung selbst größerer Restaurationen, ohne dass zusätzliche Aushärtungszyklen mit überlappenden Bereichen erforderlich sind.

Dentsply Sirona hilft Ihnen, Probleme mit Überempfindlichkeiten zu vermeiden

Ihr Praxiserfolg hängt von der Zufriedenheit und dem Patientenkomfort ab, aber auch von der Effizienz Ihrer Therapien. Wenn Sie postoperative Empfindlichkeiten nach Kompositrestaurationen verhindern möchten, müssen Sie sicherstellen, dass Sie klinisch relevante und gut erforschte Materialien verwenden und diese korrekt einsetzen. Nicht alle Restaurationsmaterialien und -produkte sind gleich, und genau da kommen wir ins Spiel. Das Portfolio von Dentsply Sirona an Klasse-II-Restaurationsprodukten hilft Behandlern, optimierte Verfahren und mehr Komfort für die Patienten zu bieten; außerdem bieten wir Ihnen zusätzlich Fortbildungen und Services – für eine durchweg effiziente Praxis. Für den Einstieg kontaktieren Sie uns direkt!


1. Usman et al. Sensitivity In Composite Restorations, Pakistan Oral & Dental Journal Vol 34, No. 3 (September 2014); Berkowitz et al. Postoperative Hypersensitivity in Class I Resin-based Composite Restorations, Compend Contin Educ Dent. 2009 ; 30(6): 356–363; Haller, Die Postoperative Hypersensibilität, zm99, Nr.6a, 13.03.2009 S. 44–51; Briso et al, Clinical Assessment of Postoperative Sensitivity in Posterior Composite Restorations, Operative Dentistry, 2007, 32–5, 421–426

2. Nedeljkovic I, Teughels W, De MunckJ, Van Meerbeek B, Van Landuyt KL. Is secondary caries with composites a material-based problem? Dent Mater. 2015 Nov;31(11):e247–77. doi: 10.1016Zj.dental.2015.09.001. Epub 2015 Sep 26.

3. Interne Daten, auf Anfrage erhältlich, siehe Kontaktdaten. Weitere Informationen erhalten Sie unter Consumables-Data-Requests@dentsplysirona.com

4. https://biocoreopen.org/ijdoh/lmmediate-Post-operative-Sensitivity-after-Composite-Resin-Restoration-A-Review-of-Treatment-Protocol.php