Решение по классу II
Публикация в блоге
Restorative


Снижение риска чувствительности зуба после композитной реставрации

У стоматологов зачастую очень напряженный день с большим количеством пациентов. Иногда в середине рабочего дня вам звонит пациент с жалобами на чувствительность зуба после недавней реставрации класса II с применением композита.  Вы находите время в своем рабочем графике, чтобы принять пациента, но диагностика причины чувствительности зуба может быть непростой задачей, учитывая технологическую сложность таких процедур. 

Правильное применение техники выполнения композитной реставрации класса II может помочь избежать неожиданных жалоб пациентов и сохранить эффективность работы клиники. 

Ниже представлены распространенные причины чувствительности зуба после композитных реставраций.  Мы рассмотрим, как свести к минимуму вероятность возникновения чувствительности, что позволит вам сконцентрироваться на пациентах и клинике. 

Распространенные причины чувствительности зуба после композитной реставрации

Что вызывает чувствительность зуба после пломбирования композитом? На самом деле, есть несколько причин. Установка пломб из композитной смолы –– довольно сложная процедура, учитывая тот факт, что дентин расположен близко к пульпе, и согласно некоторым исследованиям, чувствительность возникает примерно после 10-15 % композитных реставраций.1

Самыми распространенными причинами чувствительности после процедуры могут быть следующие:

  • Неадекватное использование адгезива или неадекватное проникновение адгезива в дентинные канальцы
  • Неправильная техника установки реставрации
  • Неадекватная полимеризация
  • Использование материалов с высоким полимеризационным стрессом

Хотя вы не можете изменить степень поражения кариесом участка при лечении пациента, можно выбрать материалы и продукты, которые доказали свою способность уменьшать риск чувствительности после процедуры, а затем усовершенствовать свою технику использования этой продукции.

Вы должны досконально изучить используемую продукцию и технику ее применения –– даже небольшое отклонение может привести к неудачному исходу и чувствительности после процедуры.

Чувствительность после композитной реставрации

Чувствительность после композитной реставрации –– часто встречающееся основание для беспокойства в стоматологических процедурах. Это явление возникает, когда пациенты испытывают временный дискомфорт или повышенную чувствительность в зубе после установки пломбы из композитного материала. Такие факторы, как глубина реставрации, близость к нерву зуба и индивидуальный уровень чувствительности пациента могут повлиять на степень и продолжительность чувствительности после процедуры. Хотя небольшого дискомфорта часто можно избежать благодаря надлежащему уходу, важно четко понимать причины чувствительности зуба после композитной реставрации, чтобы иметь возможность уменьшить этот риск и уровень чувствительности.

7 трудностей и советы по снижению риска чувствительности зуба после процедуры

Вот сложности, которые, по мнению стоматологов, могут привести к чувствительности после композитной реставрации, а также советы по предотвращению чувствительности. 

Чувствительность по причине неадекватной изоляции зуба

 

Надлежащая изоляция зуба крайне необходима в любой фазе реставрации класса II, поскольку она предотвращает попадание слюны и крови в область реставрации. Если реставрационная область загрязнена, это окажет негативное влияние на физические свойства и конечный успех реставрации, что приведет к чувствительности зуба и дискомфорту пациента.

 

Как избежать чувствительности по причине неадекватной изоляции зуба

 

Если вы испытываете трудности при изоляции зуба, вы не одиноки ––- 97 % врачей-стоматологов сообщают, что добиться полной изоляции полости класса II довольно сложно как минимум в 1 из 10 случаев.2 Помимо обычных приемов при изоляции необходимо учитывать значение хорошо адаптированной матрицы. Использование матричных систем, разработанных специально для установки композитных материалов типа нашей секционной матричной системы Palodent® V3 поможет добиться плотной герметизации по десневому краю.

 

Чувствительность по причине использования композитных материалов с высоким полимеризационным стрессом 

 

Использование материала с высоким полимеризационным стрессом может привести к плохому прилеганию материала к адгезиву, в результате чего незащищенная область дентина может напрямую соприкасаться с пульпой, что будет вызывать боль при накусывании.2

 

Как избежать чувствительности по причине использования композитных материалов с высоким полимеризационным стрессом 

 

Чтобы снизить риск появления чувствительности по причине используемого материала, необходимо выбирать материал с низким полимеризационным стрессом, который снижает нагрузку на зуб, например SDR® plus. Это первый текучий композит объемного внесения, который сам выравнивается, обеспечивает отличную адаптацию полости и значительно снижает полимеризационную усадку.3

 

Чувствительность по причине избыточного протравливания дентина

 

Хотя самая надежная фиксация в реставрации достигается за счет протравливания эмали, важно не переусердствовать с протравливанием дентина, поскольку это считается одной из основных причин появления чувствительности после процедуры. Протравливание в течение слишком долгого времени может привести к деминерализации дентина на более глубоком уровне, что помешает созданию незатронутого гибридного слоя в ходе инфильтрации адгезивной смолы.

 

Как избежать чувствительности по причине избыточного протравливания дентина

 

Чтобы свести к минимуму риск избыточного протравливания дентина, мы рекомендуем ограничить воздействие травящего агента на дентин максимум до 15 секунд, используя связывающий агент, предоставляющий гибкость использования техники протравливания в соответствии с ситуацией, например Универсальный стоматологический адгезив Prime&Bond Universal® , который можно использовать со всеми техниками протравливания, включая селективное протравливание эмали.

 

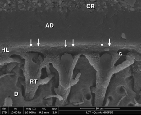
Чувствительность по причине чрезмерного высушивания дентина

 

Другой причиной чувствительности после композитной реставрации является обезвоживание (чрезмерное высушивание) дентина. В результате обезвоживания дентина снижается уровень влажности, что мешает правильной инфильтрации адгезива и увлажнению нежной структуры коллагеновых волокон. Если протравленный дентин обезвожен (чрезмерно высушен), возможно, под слишком сильным воздействием воздуха в течение слишком длительного времени, может произойти коллапс обнаженных коллагеновых волокон. В результате будет практически невозможна инфильтрация в коллагеновый слой. Возможными последствиями являются значительное снижение прочности сцепления и чувствительность зуба после реставрации.

 

Как избежать чувствительности по причине чрезмерного высушивания дентина

 

Чтобы избежать обезвоживания, поверхность дентина должна оставаться слегка влажной, но не мокрой после промывания. Иначе будет невозможна инфильтрация в коллагеновый слой, что может вызывать снижение прочности скрепления и чувствительность после реставрации.

  • CR (Composite Resin): Композитная смола
  • AD (Adhesive): Адгезив
  • HL (Hybrid Layer): Гибридный слой
  • RT (Resin Tag): Композитный отросток
  • D: Дентин

Источник: «SEM on over dried dentin» Prof. Andre F. Reis, доктор стоматологии, магистр наук, доктор философии, Рио-де-Жанейро, Бразилия

Чувствительность по причине неудаления растворителя на этапе высушивания

 

Вы, возможно, знакомы в общих чертах с теорией действия растворителей на основе испарения (например, на основе ацетона в сравнении со спиртом), но необходимо понимать, что каждый растворитель требует разного потока разреженного воздуха, чтобы полностью улетучиться после нанесения. Это важно учитывать, если вы хотите, чтобы материал был максимально эффективным  и не вызывал чувствительность зубов после реставрации.

 

Как избежать чувствительности по причине неудаления растворителя на этапе высушивания

 

Ознакомьтесь внимательно с инструкциями по применению адгезива,  чтобы определить продолжительность этапа испарения, а не останавливаться каждые несколько секунд после продувания воздухом.

 

Чувствительность по причине неравномерного нанесения адгезивного материала

 

Исследования4 показали, что полимеризационная усадка композита является одной из главных причин чувствительности после реставрации, но это не единственный случай, когда неравномерное нанесение материала может привести к чувствительности зуба после реставрации.

 

Как избежать чувствительности по причине неравномерного нанесения адгезивного материала

 

Важно полностью и равномерно покрыть внутреннюю поверхность адгезивом. Блестящая, а не матовая поверхность указывает на то, что вы правильно выполнили эту процедуру.

 

Чувствительность по причине недостаточной полимеризации реставрационного материала 

 

В реставрациях класса II адгезив часто находится на расстоянии 8 и более мм от наконечника полимеризационной лампы. Чтобы обеспечить надлежащую полимеризацию адгезива, а также композита на дне проксимальной полости (самый уязвимый интерфейс класса II), необходимо выбрать лампу, которая имеет клинически достаточную мощность для того или иного расстояния.

Более того, необходимо использовать правильную технику полимеризации, чтобы добиться надлежащей полимеризации на дне проксимальной полости. Это включает перпендикулярное размещение LED-наконечника как можно ближе к реставрации. Также важно использовать надлежащие меры защиты глаз, чтобы отслеживать правильное размещение лампы.

Как избежать чувствительности по причине недостаточной полимеризации реставрационного материала

 

Мы рекомендуем использовать полимеризационную лампу типа SmartLite® Pro от Dentsply Sirona. SmartLite Pro предлагает превосходную мощность3 на расстоянии и генерирует малое количество тепла, помогая избежать нагревания пульпы, что также может вызывать чувствительность. Ее LED-наконечник низкого профиля позволяет размещать лампу над глубокими частями полости, чтобы луч проникал прямо вниз, а не под углом, что позволяет избежать затенения. Кроме того, ее 10-мм диаметр активной полимеризации подходит даже для более объемных реставраций, что устраняет необходимость дополнительных циклов полимеризации.

Dentsply Sirona поможет вам избежать чувствительности зуба

Успех вашей клиники зависит от комфорта и удовлетворенности ваших пациентов, а также эффективности ваших процедур. Если вы хотите предотвратить чувствительность после композитной реставрации, обязательно сделайте выбор в пользу надежных и проверенных материалов и правильно их используйте. Все реставрационные материалы и продукция отличаются друг от друга, и мы всегда готовы помочь вам в выборе. Ассортимент реставрационной продукции Dentsply Sirona класса II помогает врачам-стоматологам оказывать более качественные и комфортные услуги своим пациентам, а также предоставляет им инструменты и обучение для реализации различных решений. Свяжитесь с нами прямо сейчас!


Связанные статьи

1. Usman et al. Sensitivity in composite restorations, Pakistan Oral & Dental Journal, том 34, № 3 (сентябрь 2014 г.); Berkowitz et al. Postoperative Hypersensitivity in Class I Resin-based Composite Restorations, Compend Contin Educ Dent. 2009; 30(6): 356-363; Haller, Die Postoperative Hypersensibilitat, zm99, № 6a, 13,03.2009 S. 44-51; Briso et al, Clinical Assessment of Postoperative Sensitivity in Posterior Composite Restorations, Operative Dentistry, 2007, 32-5, 421-426

2. Nedeljkovic I, Teughels W, De MunckJ, Van Meerbeek B, Van Landuyt KL. Is secondary caries with composites a material-based problem? Dent Mater. ноябрь 2015 г.; 31(11):e247-77. doi: 10.1016Zj.dental.2015.09.001. Epub 26 сент. 2015 г.

3. Внутренние неопубликованные данные. Для получения дополнительной информации свяжитесь с Consumables-Data-Requests@dentsplysirona.com

4. https://biocoreopen.org/ijdoh/lmmediate-Post-operative-Sensitivity-after-Composite-Resin-Restoration-A-Review-of-Treatment-Protocol.php